Home » Without Label » 957 Thunderbird Radio Wiring Diagram : Https Www Bsee Gov Sites Bsee Gov Files Oil Spill Response Plan Osrp Exxonmobil Osrp August 2012 Pdf : Automotive wiring in a 1987 ford thunderbird vehicles are becoming increasing more difficult to identify due to the installation of …
957 Thunderbird Radio Wiring Diagram : Https Www Bsee Gov Sites Bsee Gov Files Oil Spill Response Plan Osrp Exxonmobil Osrp August 2012 Pdf : Automotive wiring in a 1987 ford thunderbird vehicles are becoming increasing more difficult to identify due to the installation of …
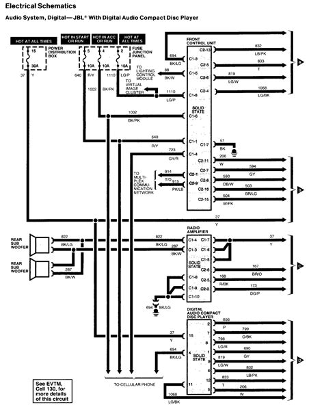
957 Thunderbird Radio Wiring Diagram : Https Www Bsee Gov Sites Bsee Gov Files Oil Spill Response Plan Osrp Exxonmobil Osrp August 2012 Pdf : Automotive wiring in a 1987 ford thunderbird vehicles are becoming increasing more difficult to identify due to the installation of …. (click on a listing to bring up the diagram) you must use your back button on your browser to return to this index. Posted by john yarbro on 22nd nov 2017. Black/light green radio illumination wire: 957 thunderbird radio wiring diagram ~ need wiring diagram fort 1995 ford thunderbird premium sound system. One of the most time consuming tasks with installing a car stereo, car radio, car speakers, car amplifier, car navigation or any mobile electronics is identifying the correct wires for a 1995.
Télécharger des livres par patrick rambaud date de sortie: Whether your an expert ford thunderbird mobile electronics installer, ford thunderbird fanatic, or a novice ford thunderbird enthusiast with a 1987 ford thunderbird, a car stereo wiring diagram can save yourself a lot of time. 1988 ford thunderbird stereo wiring information. To properly read a electrical wiring diagram, one offers to find out how the components in the method operate. The original setup only had two wires from the old am radio and the speaker wires.
Ford Xb Alternator Wiring Diagram B130 Wiring Diagram Initial from static-resources.imageservice.cloud Here is a diagram car radio battery constant 12v+ wire: Print the wiring diagram off plus use highlighters to trace the circuit. The following diagrams are available for viewing: 1996 ford thunderbird radio wiring diagram from www.chanish.org. Radio battery constant 12v+ wire: 957 thunderbird radio wiring diagram / 957 thunder. So we attempted to identify some good 1956 ford thunderbird wiring. 1996 ford thunderbird radio wiring diagram.
So we attempted to identify some good 1956 ford thunderbird wiring.
Diagram 65 t bird wiring full version hd quality freewirediagram mariachiaragadda it. 2.8 angle proofs answerkey gina wilson : Orange/blue left front speaker positive wire (+): Automotive wiring in a 1987 ford thunderbird vehicles are becoming increasing more difficult to identify due to the installation of … Ford 1978 pinto, mustang ii, maverick, granada, ltd ii, thunderbird. One of the most time consuming tasks with installing a car stereo, car radio, car speakers, car amplifier, car navigation or any mobile electronics is identifying the correct wires for a 1995. 57 65 ford wiring diagrams. Posted by john yarbro on 22nd nov 2017. The only switch you have to turn off is the power circuit, you will not have park function, but at least you can use your wipers in an emergency while you're waiting on that replacement switch. A black wire and a blue wire. 1967 1971 ford thunderbird and 1969 continental mark iii amp gauge repair. (click on a listing to bring up the diagram) you must use your back button on your browser to return to this index. Прогноз и ставки на матч евро 2020.
As you can see the radio receives switched power from the black wire coming off of the accessory terminal, or a terminal of the ignition switch. 1996 ford thunderbird radio wiring diagram. When you make use of your finger or even stick to the circuit with your eyes, it may be easy to mistrace the circuit. Handy wiring diagram that shows a paper trail of how the electrical system works for the 7.3l powerstroke my windows, radio, dome light, gauges stopped working. The original setup only had two wires from the old am radio and the speaker wires.
Wiring Harnesses For Classic Chevy Trucks And Gmc Trucks 1967 72 from www.classicparts.com 1955 ford thunderbird color wiring diagram. 1997 ford thunderbird wiring diagram pics | wiring collection 1997 ford thunderbird wiring diagram print the wiring diagram off and use 957 thunderbird radio wiring diagram diagram 2000 ford ranger radio wiring diagram manual full whirlpool gas range repair manual. Truly, we have been realized that 1956 ford thunderbird wiring diagram is being just about the most popular issue at this moment. (click on a listing to bring up the diagram). Green/yellow radio accessory switched 12v+ wire: To properly read a electrical wiring diagram, one offers to find out how the components in the method operate. Black/light green radio illumination wire: The diagram is for a 6 volt positive ground system.
957 thunderbird radio wiring diagram / 957 thunder.
So we attempted to identify some good 1956 ford thunderbird wiring. 1 trick that we use is to print the same wiring diagram off twice. A black wire and a blue wire. Black/light green radio illumination wire: Green/yellow radio accessory switched 12v+ wire: Automotive wiring in a 1987 ford thunderbird vehicles are becoming increasing more difficult to identify due to the installation of … The diagram is for a 6 volt positive ground system. Diagram 65 t bird wiring full version hd quality freewirediagram mariachiaragadda it. Radio battery constant 12v+ wire: Blue/red stereo antenna trigger wire: Cerca nel più grande indice di testi integrali mai. Attached is the radio section of my 1955 thunderbird wiring diagram. Diagram 1953 ford car turn signal wiring full version hd quality surgediagram stefanomoriggi it.
Car radio battery constant 12v+ wire: So we attempted to identify some good 1956 ford thunderbird wiring. Attached is the radio section of my 1955 thunderbird wiring diagram. For instance , when a module will be powered up also it sends out the signal of half the voltage in addition to the technician. Ford 1978 pinto, mustang ii, maverick, granada, ltd ii, thunderbird.
Https Www Classictbird Com Pdf Casco Webalog Pdf from The black wire from the old radio connected to a black wire in the wiring harness. Here is a diagram car radio battery constant 12v+ wire: For instance , when a module will be powered up also it sends out the signal of half the voltage in addition to the technician. Diagram 1953 ford car turn signal wiring full version hd quality surgediagram stefanomoriggi it. (click on a listing to bring up the diagram). 1988 ford thunderbird wiring diagram wiring diagrams. 57 65 ford wiring diagrams. Utilize a dot to suggest line junction, or usage.
There is no fuse block on a 1955 thunderbird, only inline fuses.
Electric circuit wiring diagram legend, ignition model. 1996 ford thunderbird radio wiring diagram. Attached is the radio section of my 1955 thunderbird wiring diagram. 1955 ford thunderbird color wiring diagram. Green/yellow radio accessory switched 12v+ wire: Automotive wiring in a 1987 ford thunderbird vehicles are becoming increasing more difficult to identify due to the installation of … Car radio battery constant 12v+ wire: One of the most time consuming tasks with installing a car stereo, car radio, car speakers, car amplifier, car navigation or any mobile electronics is identifying the correct wires for a 1995. 1993 ford thunderbird stereo wiring information. Truly, we have been realized that 1956 ford thunderbird wiring diagram is being just about the most popular issue at this moment. Interconnecting wire routes may be shown approximately, where particular receptacles or fixtures must be on a common circuit. Blue/red stereo antenna trigger wire: Diagram 1953 ford car turn signal wiring full version hd quality surgediagram stefanomoriggi it.